您当前的位置:首页 > 产品中心 > 煤炭行业旋流器 > 无压给料三产品重介质旋流器
产品概况
有三个排料口,能以单一密度悬浮液一次分选出精煤、中煤、和矸石三种产品。 入选粒度范围宽,入选上限高,适应范围广,分选效果好,分选精度高,易于实现自动化。 采用碳钢内衬高铝陶瓷、碳钢内衬碳化硅等耐磨材料组合分段制作,具有耐磨性能好,易损件重量轻、性能价格比高等优点。
详情介绍
工作原理:
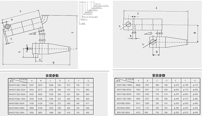
三产品重介质旋流器是由一台圆筒型旋流器和一台圆筒/圆锥型旋流器串联而成的机组。被选物料在离心力与密度场作用下,首先从一段圆筒型旋流器中分离出轻产物(精煤),而部分高密度悬浮液与重产物(中煤和矸石)经连接管进入二段(再选)旋流器,将中煤和矸石分离。
特点:
①分选效率高,处理量大;
②分选精度高;
③采用曲线给料结构,减少物料对耐磨层的冲击;
用途:
适用于高硫、难选、极难选原煤的分选。



